일부 문제는 정답을 기재하지 않았으므로 참고하십시오.
1. 다음 각 축전지에 관한 물음에 답하시오.
1) 각 축전지의 공칭전압[V/cell]을 쓰시오
- 연축전지 : 2 [V/cell]
- 알칼리축전지 : 1.2 [V/cell]
2) 다음 동작에 대한 UPS의 변환장치를 쓰시오
- 교류를 직류로 변환 : 정류기
- 직류를 교류로 변환 : 인버터
3) 축전지의 용량을 구하는 공식과 공식에 사용되는 문자의 의미를 적으시오
축전지 용량 공식 : C = 1/L * KI [Ah]
위 공식에 사용되는 문자 의미 : C:축전지 용량, L:보수율, k:용량환산 시간 계수, I:방전전류
UPS 작동방식에 따른 종류 3가지
- 오프라인
- 온라인
- 라인 인터렉티브
2. 다음 그림과 같은 계통의 기기에서 정말 지락이 발생하였을 경우에 대한 다음 물음에 답하시오

1) 기기의 외함에 인체가 접촉하고 있지 않을 경우의 지락전류[A]와 대지전압[v]을 계산하시오
- 지락전류 : Jp = 220/100+10 = 2A
- 대지전압 계산과정 : V = 2 * 100 = 200V
2) 기기의 외함에 인체가 접촉하였을 경우에 인체에 흐르는 전류[mA]와 접촉전압[V]을 를 계산하시오
3. 피뢰설비의 수뇌부시스템과 접지극시스템 사이에는 전기적 연속성이 형성되도록 시설하여야 한다 이에 대한 다음 물음에 답하시오.
1) 시험용 접속점에 관한 내용과 '2)'에 대한 내용을 제외한 전기적 연속점이 형성되도록 시설하는 방법 3가지를 쓰시오.
2) 다음 내용의 빈칸을 채우시오.
철근콘크리트 구조물의 철근을 자연적 구성부재의 인하도선으로 사용하기 위해서는 해당 철근 전체의 전기저항 값은 ( ) 이하이어야 한다.
답 : 0.2옴
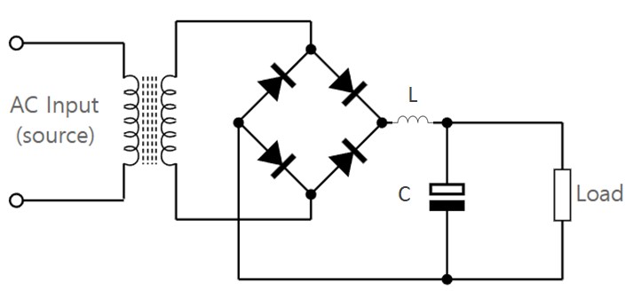
4. 다음 정류회로에서 인덕터(L)와 커패시터(C)를 설치하는 이유를 쓰시오

- 인덕터(L)를 설치하는 이유 : 맥동(리플) 감소
- 패시터(C)를 설치하는 이유 : (맥류) 평활화
5. 아래 그림은 CT비. 50/5의 변류기를 이용한 수전설비의 보호방식을 나타낸 것이다. 수전용량이 1500 [kVA], 22.9 [kv]이며, 차단기는 150 [%]의 과부하 시에 동작한다고 할 때, 다음 물음에 답하시오.

- 보호방식의 이름 : Y 결선 잔류회로
- A1 계전기의 명칭 : 과전류 계전기
- A 계전기 설치목적 : 지락전류 검출
- A1 계전기의 탭 전류를 주어진 값에서 선정하시오. [3,4,5,6,8]
6. 전기설비의 유지. 운용 업무를 위해 계측장비를 주기적으로 교정해야 한다. 다음 빈칸에 교정해야 할 계측장비와 교정 및 시험주기를 쓰시오
| 계전기 시험기 | 1년 |
| 절연내력 시험기 | |
| 절연유 내압 시험기 | |
| 적외선 열화상 카메라 | |
| 전원품질 분석기 | |
| 절연저항 측정기 (1000V, 2000M옴) | |
| 절연저항 측정기 (500V, 100M옴) | |
| 회로 시험기 | |
| 접지저항 측정기 | |
| 클램프미터 |
7. 배선용 차단기의 명판에서 75A 100AF가 의미하는 것을 쓰시오.
- 75A : 이상 없이 통전 가능한 최대 전류 (정격 트립 전류)
- 100AF : 단락사고 시 흐를 수 있는 최대 전류값 (정격 프레임 전류)
8. 직류 2 선식의 임의의 한 점 또는 변환장치의 직류 측 중 간점, 태양전지의 중간점을 접지하지 않아도 되는 경우 5가지를 쓰시오.
9. 다음 각 논리식을 간소화하시오.
1) A • 0 = 0
2) A • A' = 0
3) A + A = A
4) A + A * B = (A(1+B) = A
5) A • (A+B) = A•A + A•B = A+A•B = A
6) (A+B) • (A+C) = A•A + A•C + A • B + B • C = A + B • C
10. 고장 시 보호장치를 통해 흐를 수 있는 예상 고장전류의 실효값이 1200 [A], 자동차단을 위한 보호장치의 동작시 간이 0.5 [s), 보호도체, 절연, 기타 부위의 재질 및 온도에 따른 계수를 143으로 할 때의 보호도체의 최소단면적[mm² ]을 계산하여 아래 값에서 선정하시오
| 2.5 | 4 | 6 | 10 | 16 | 25 | 35 |
계산과정 : S = 루트 1200² * 0.5 / 143 = 5.93
답 : 6