전기기능장 74회 실기 필답 문제 복원 자료입니다. 아직 이번 시험 결과가 나오지 않았지만 실기 작업형 PLC에서 헤매신 분들이 많아 필답 점수가 더욱 중요할 것 같습니다.
필답 시험은 역시나 기출에서 똑같이 3문제나 출제되었고, 전기기사 기출에서 자주 출제 및 비교적 쉬운 문제가 두세문제 정도 나와서 큰 어려움은 없으실것으로 예상됩니다. 내년에 어떻게 출제 트랜드가 바뀔지 모르겠지만, 아직까지는 전기기능장 기출과 쌍기사에서 자주 출제되는 기출 위주로 공부하셔도 충분할 것 같습니다.
1. 중성선 접지 전선로에서 전자유도 장해대책을 쓰시오.
1) 전력선 측 대책 3가지
2) 통신선 측 대책 3가지
2. 다음 주어진 물음에 답하시오.
1) 22900V 중성점의 다중접지 전로의 절연내력시험 전압kV을 계산식과 함께 적으시오.
2) 계기용 변성기의 2차 정격전압과 변류기의 2차 정격전류를 쓰시오.
3) 변류기의 2차측 부하를 점검 또는 교체할 때, 가장 먼저 해야할일은?
3. 피뢰기를 설치해야 하는 장소 4가지를 적으시오. (기출)
4. 다음은 UPS 장치의 구성도를 나타낸 것이다. 각 물음에 답하시오.

1)UPS 장치의 기능 2가지
2) a의 명칭
3) b의 명칭과 역할 2가지
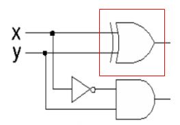
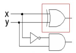
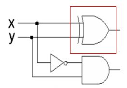
5. 다음 반감산기의 논리회로에 대한 다음 물음에 답하시오. (기출)

1) X와 Y의 논리식을 적으시오.
2) 주어진 반감산기의 논리회로에서 실선 안에 들어간 논리기호를 AND, NOT, OR gate만을 사용하여 아래에 그리세요.
3) 주어진 반감산기의 논리회로를 유접점 회로를 이용해 그리세요.

6. KS C 4612에 의한 고압퓨즈의 종류에 따른 반복 과전류 특성을 빈칸에 적으시오.
| 퓨즈종류 | 반복 과전류 특성 |
| 변압기용(T) | |
| 전동기용(M) | |
| 콘덴서용(C) |
7.다음은 어떤 건물의 접지시스템의 구성을 나타낸것이다. 각 숫자 1,2,3,4의 명칭을 쓰시오.

- B:메인 접지단자
- T:건물 층 간의 접지극
- P: 욕실내의 수도관 등 계통외 도전성 부분
- C:건물 철골, 금속덕트 등 계통외 도전성 부분
- M : 전기기기 및 기구의 노출 도전성 부분
8.한국전기설비규정에 의거하여 전기저장장치가 정격 운전범위를 초과할 때 자동으로 전로를 차단해야 하는 경우 3가지를 적으세요.(기출)
9.지중전선과 지중약전류 전선 등 또는 관과의 접근 또는 교차에 관한 규정 중 일부이다. 빈 칸에 들어갈 내용을 적으세요. 단, 주어진 내용 외에 기타사항은 미고려.
지중전선이 지중약전류 전선 등과 접근하거나 교차하는 경우에 상호 간의 이격거리가 저압 또는 고압의 지중전선은 ( ) 이하, 특고압 지중 전선은 ( )이하인 때에는 지중전선과 지중약전류 전선 등 사이에 견고한 내화성 (콘크리트 등의 불연재료로 만들어진 것으로 케이블의 허용 온도 이상으로 가열시킨 상태에서도 변형 또는 파괴되지 않는 재료)의 격벽을 설치하는 경우 이외에는 지중전선을 견고한 불연성 또는 난연성의 관에 넣어 그 관이 지중약전선류전선 등과 직접 접촉하지 아니하도록 하여야 한다.
10.다음 그림과 같이 공급점에서 30m 지점에 80A, 45m 지점에 50A, 60m 지점에 30A의 부하가 걸렸을 때 부하 중심까지의 거리를 계산과정과 함께 구하시오.
