전기기능장 실기 시험 준비 잘하고 계신가요? 시간 단축이 잘 되지 않아 고민인 분들이 많을 거라 예상됩니다. 오늘은 제어반 작업의 일부인 넘버링 방법에 대해서 공유해보겠습니다. 각자 자기만의 방법이 있겠지만, 시간 단축이 안된다면 한 번쯤 다른 사람의 방법을 카피해보는 것을 강력하게 권해드립니다.
저 같은 경우는 제어반 시간 단축에서 가장 큰 비중을 차지했던 것이 바로 넘버링과 스트리퍼를 목에 걸고 했던 부분입니다. 제어반 총 작업시간이 1시간 50분 정도 나왔을 때, 넘버링 시간만 10분 이상이 걸렸었습니다. 실수도 종종 있었고요. 그러나 이 방법을 통해 공개 문제 기준 넘버링 시간이 6분~8분으로 줄었으며, 실수도 거의 없었습니다.
전기기능장 넘버링
사전 암기 사항
전기기능장 실기가 공개문제로 변경되면서, 넘버링 또한 더 쉬워졌습니다. 바로 기구 배치와 요소(스위치, 램프 등) 부품들의 일정한 규칙이 있기 때문입니다. 때문에 이 부분은 필히 암기하시고 작업에 들어가셔야 합니다. 특별히 시간 내서 외울 필요는 없고 이 부분을 염두에 두시고 연습하시면 자연스레 암기가 될 것입니다.

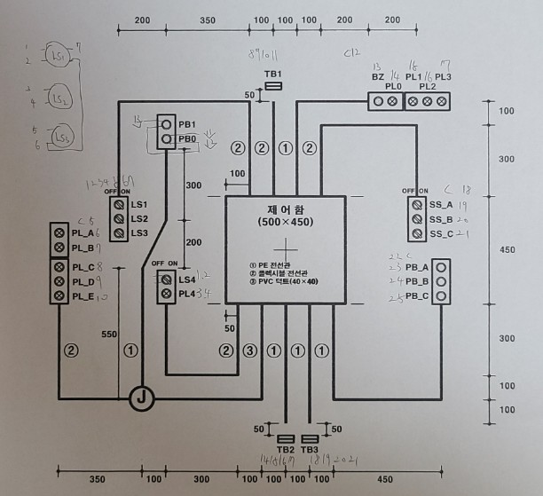
기구 배치
기구 배치도를 보면 MC와 8핀 릴레이는 항상 같은 열에 위치하며, 아랫부분으로 배치되어 있습니다. 타이머와 EOCR은 그 위에 있고요. 이를 이용해 핀번호를 가능한 최단거리로 만들어야 합니다. 예를 들어 타이머 a접점을 무작정 1,3번 순으로 적는 것이 아니라, 때에 따라 3,1 순으로 적어야 한다는 것입니다. 아래에 제가 직접 연습한 사진을 보시면 이해가 되실 것입니다.
요소부품 범례
이것은 넘버링과는 별 관련이 없을 수 있겠지만, 같은 사전 암기사항이므로 같이 말씀드립니다. 아직도 가끔 푸시버튼이나 램프 색상에서 실수하시는 분들이 계십니다. 스위치 기준 b접점(주로 pb0)은 항상 적색이며, a접점 (주로 pb1)은 녹색입니다. 그 외 램프 색상은 범례를 보시면 무슨 말인지 아실 것입니다.
실제 넘버링 연습 과정
이제 넘버링 연습 과정을 보여드리겠습니다. 먼저 우측 상단의 단자대와 접속할 기구인 리밋스위치 1,2,3부터 넘버링합니다. 저는 위아래 단자대 번호의 구분을 화살표로 하고 있습니다.
그리고 도면의 왼쪽 상단에 결선도를 따로 그려놓습니다. 스위치의 왼쪽이 a접점, 오른쪽을 b접점으로 정하고 접속도를 그렸습니다. 이렇게 되면 나중에 요소 작업 시 이 그림만 보고 결선하기 때문에 빠르며, 실수의 확률도 낮습니다.
다음으로 순서대로 TB1, BZ 순으로 넘버링을 이어 나갑니다. 하부 단자대도 마찬가지로 진행하며, LS4의 경우 스위치 왼쪽에 a접점을 인지할 수 있게 표시를 해놨습니다. PB0과 PB1도 접속도를 그려놨습니다.


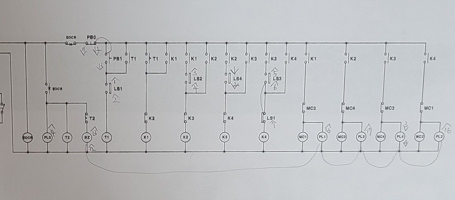
이제 회로도만 기입하면 됩니다. 여기서 위에서 암기한 규칙을 인지하고 최단거리로 넘버링을 합니다. 일단 기구들의 전원 번호부터 기입합니다. 이 전원 접점이 기준이 되기 때문에 MC와 EOCR은 6,12 그리고 타이머는 2,7 순서를 항상 고정으로 정합니다.

이제 이 전원 번호부터 최단거리를 찾아나가야 하기 때문에, 왼쪽 아래부터 위로 올라갑니다. 즉 T2의 2번과 8번 또는 5번과 연결해야 하는데, 같은 열에 있는 8번이 가까우므로 사진과 같이 기입했습니다. 참고로 EOCR은 12번과 10번을 연결하는 것이 가깝지만, 개인적으로 헷갈릴까 봐 돌아가더라도 항상 6,12번 순으로 전원부를 넘버링합니다.
계속해서 넘버링을 이어나가며, MC와 8핀 릴레이의 연결이 필요할 때 위에서 암기한 부분을 활용합니다. (MC와 8핀 릴레이는 같은 열)
8핀 릴레이에 대해 더 말씀드리면, 저는 기존에 1~8번으로 접점을 구분했습니다. 그러나 여기서 실수가 자주 생겨 1a-1c 이런 식으로 바꿨습니다. 그리고 가장 중요한 부분은 릴레이 접점을 한번 기입할 때마다 사진의 하단과 같이 사용한 접점을 따로 기입해줍니다. 여기서 가장 많은 실수가 발생하는 것 공감하실 겁니다. 시험 때 실수해서 찾으려면 이거 못 찾습니다. 적극 추천하는 방법입니다.
저는 핀번호를 다 기입하면, 하단에 기입한 8핀 릴레이 번호가 제대로 되어있는지 다시 한번 체크합니다. (지움 표시)
이제 마지막으로 주전원의 갈색을 별도로 표시해줍니다. 이렇게 정역 회로에서 갈흑회를 회갈흑으로 실수하시는 분들 상당히 많습니다. (제가 그랬습니다.)
회차별 평균 넘버링 시간은 이전에 포스팅했으니 이전 글을 참고하시기 바랍니다.