71회 시험도 모두 끝났습니다. 필답은 기출에서 똑같이 4문제, 그리고 살짝 응용한 1 문제가 나왔습니다. 그래서 대부분 점수가 잘 나오셨으리라 생각됩니다. 그러나 또 언제 갑자기 내용이 바뀔지 모르니 필답 공부를 게을리 하지 마시기 바랍니다. 제가 알기로는 내년부터는 출제자가 바뀌는것으로 알고 있습니다.
이전 회차의 기출은 아래 글을 참고해 주시기 바랍니다.
전기기능장 필답 기출문제 복원
전기기능장 필답 기출문제를 63회부터 69회까지 복원해봤습니다. 인터넷에 돌아다니는 자료들을 취합하여 작성한것이므로 누락되거나 정확하지 않을 수 있습니다. 회차별 순서와 관련없이 무작
k-issue.com
전기기능장 71회 필답 기출 복원
- 전기공사는 공사업자만 도급, 시공이 가능하다. 그러나 대통령으로 정하는 경미한 전기공사는 그렇지 않다. 경미한 전기공사에 대한 괄호에 답하시오. (참 문제 그지같네요)
- 꽃음접속기, 소켓, 로제트, 전구류, 접속기, 나이프스위치, 그 외 개폐기의 ( )에 관한 공사
- ( )를 부착하거나 떼어내는 공사
- 벨, 장식전구, 인터폰 그 외 이와 비슷한 시설에 사용되는 소형 변압기의 2차측 전압은 몇 이하로 한정하는가?
- 전압이 ( )V 이하이고, 전기시설 용량이 ( )kW 이하인 단독주택 전기시설의 개선이나 보수공사, 다만 전기 공사 기술자가 하는 경우로 한정.
- 지표상 15m 높이의 수조가 있다. 이 수조에 10㎥/min 물을 양수하는데 필요한 펌프용 전동기의 소요 동력은 몇 kW? 펌프의 효율과 여유율은 각각 65%,15%
- 정격전압 AC 3,450V 를 사용하는 고압 전동기의 절연내력 시험 전압은 몇 V인가? 그리고 시험 방법에 대해 설명하시오.
- 피뢰기를 설치해야하는 장소 4가지
- 수용가 인입구 전압이 22.9kV , 주차단기의 차단용량이 250MVA이다. 10MVA, 22.9/3.3kV 변압기의 임피던스가 5.5%일 때 변압기 2차측에 필요한 차단기 용량을 다음표에서 정하시오.
| 50 | 75 | 100 | 150 | 250 | 300 | 400 | 500 | 750 | 1000 |
- 부하 설비 및 수용률이 다음과 같은 경우 이곳에 공급할 변압기 Tr의 용량을 계산하여 표준용량으로 결정하시오. 부등률은 1.2, 종합 역률은 80% 이하다.

| 부하 | A | B | C |
| 설비용량 (kW) | 50 | 60 | 100 |
| 수용률 (%) | 50 | 60 | 70 |
- 다음 설명에 해당하는 용어는?
- 교류회로에서 중선선과 겸용하는 보호도체
- 충전부는 아니지만 고장 시 충전될 위험이 있다. 또한 사람이 쉽게 접촉할 수 있는 기기의 도전성 부분
- 계통, 설비, 기기의 한 점과 접지극 사이의 도전성 경로 또는 그 경로의 일부가 되는 도체
- 전력계통에서 돌발적으로 발생하는 이상 현상에 대비하여 계통과 대지를 연결하는 것 (중성점을 대지에 접속)
- 등전위를 형성하기 위해 도전부 상호간 전기적으로 연결
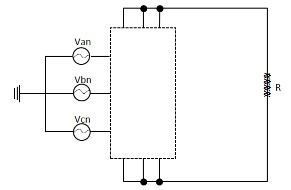
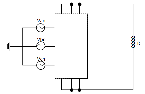
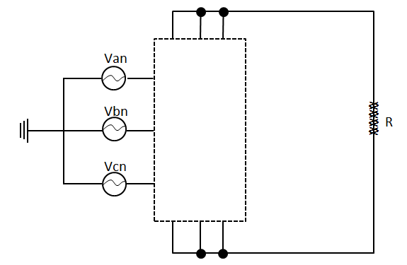
- 다음 3상 전파정류회로의 미완성된 부분을 그리고, 220√2sin(120πt)[V]의 전압을 인가할 때 다음 물음에 답하라.

- 비상콘센트 설비의 화재안전기준 (NFSC 504)에 대한 물음에 답하라.
- 바닥으로부터 설치 위치는 몇m 이상 몇m 이하인가?
- 비상콘센트의 배치는 아파트 또는 바닥면적이 1000제곱평방미터 미만인 층에 있어서는 계단의 출입구로 부터 ( )m이내에, 바닥면적 1000제곱평방미터 이상인 층(아파트를 제외)에 있어서는 각계단의 출입구 또는 계단부속실의 출입구로 부터 ( )m 이내에 설치하되, 다음의 기준을 초과하는 경우에는 그 기준 이하가 되도록 비상용 콘센트를 추가 설치할 것.
- 지하상가 또는 지하층의 바닥면적의 합계가 3,000제곱평방미터 이상인것은 수평거리 ( )m
- 위 상황에 해당되지 않는 것은 수평거리 50m
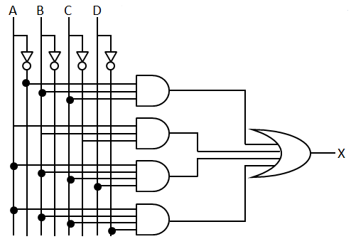
- 다음 논리회로에 대한 물음에 답하라.

- 최대한 간소화한 논리식은?
- 간소화한 무접점 논리회로를 그려라
- 간소화한 유접점 시퀀스 회로도를 그려라